Shaker Ashton Green - ACM8

$140.00
In stock
SKU
AG-ACM8
QTY
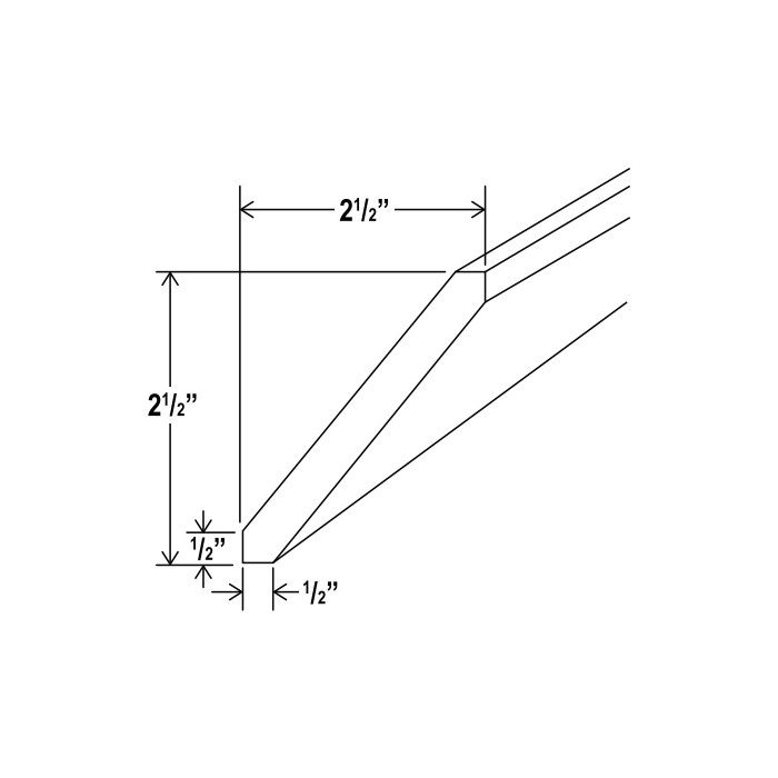
Shaker Ashton Green - Angle Crown Moulding - 96"W X 3 5/8"H X 2 1/2"D